
咨詢熱線0755-26993877
伺服電機的工作原理控制通常使用脈寬調制(PWM)技術實現,該技術涉及在固定時間內改變施加到電機的脈沖寬度。

感應電機是通過直接連接到三相電源來啟動的。在這種方法中,電機消耗高啟動電流(約為額定電流的4至7倍)和低功率因數。因此,DOL起動適用于相對較小的電機(最大10 kW)。

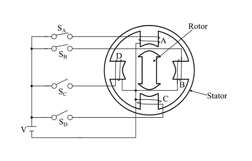
單疊式變磁阻(VR)步進電機的工作原理是基于磁通線占據低磁阻路徑的特性。因此,在可變磁阻步進電機中,定子和轉子對齊以最小化磁阻。

異步交流電機是伺服系統中最常用的電機類型。異步交流電機工作原理的定義:該型利用交流電流動作。定子包括吸收輸入功率的繞組。輸入交流電流經這些繞組,產生一個恒定振幅的旋轉磁場。

無刷直流電機的工作原理類似于有刷直流電機。洛倫茲力定律指出,只要將載流導體置于磁場中,它就會受到力。作為反作用力的結果,磁鐵將受到一個相等且相反的力。在無刷直流電機中,載流導體是靜止的,而永磁體是運動...

減壓閥和泄壓閥或控制閥是石油和天然氣工業中的重要儀表,它們用于相同的目的-自動流體控制。然而,這兩種儀器在操作和設計上有根本的不同。

在氣缸上安裝氣體減壓閥需要采取一定的預防措施,在進行任何設置過程之前,應始終咨詢制造商的建議。如果螺紋不嚙合,則調節器可能與該類型的氣缸不兼容,不應強行安裝。

氣體壓力減壓閥有助于在與壓力相關的工業應用中保持控制,這對于操作在性能和安全方面的成功非常重要。氣體壓力減壓閥的工作原理:壓力減壓閥是一種獨立的機械控制裝置,通常不依賴任何外部電源。該設備采用傳感器、...

以正確的順序給步進電機的線圈通電以實現單步執行是一項復雜的任務。因此,通常使用驅動器來實現對電機線圈的實際控制。有兩種類型的步進電機驅動-恒壓(L/R驅動)和恒流(斬波驅動)。L/R驅動主要限于低速應...

步進電機在各種應用中被用來提供一種嚴格控制運動的方法。但是什么是步進電機,它是如何工作的?本文將詳細討論雙極電機,解釋它們是什么以及如何工作,并舉例說明它們如何與不同類型的比例閥配合使用,以提供精確控...
